Bồn nhựa Plasman Tân Á Đại Thành là dòng sản phẩm cao cấp, được thiết kế để đáp ứng nhu cầu lưu trữ nước sạch và các dung dịch khác một cách an toàn, hiệu quả. Sản phẩm được sản xuất từ chất liệu nhựa nguyên sinh HDPE 6 lớp, mang lại độ bền vượt trội cùng khả năng bảo vệ nguồn nước tối ưu. Với cam kết bảo hành lên đến 40 năm, bồn nhựa Plasman là lựa chọn lý tưởng cho mọi gia đình và công trình.
Ưu điểm nổi bật của bồn nhựa Plasman Tân Á Đại Thành:
- Chất liệu nhựa HDPE 6 lớp: Đảm bảo an toàn cho nguồn nước, không phát sinh chất độc hại, chống tia UV, hạn chế bám rong rêu, giúp nước luôn sạch và tinh khiết.
- Độ bền cao: Chống chịu tốt trước các tác động của môi trường, không bị biến dạng, nứt gãy hay ăn mòn trong thời gian dài sử dụng.
- Dung tích linh hoạt: Được sản xuất với dung tích đa dạng từ 500 lít đến 2000 lít, phù hợp cho các hộ gia đình và các nhu cầu lưu trữ nước quy mô vừa.
- Bảo hành 40 năm: Cam kết chất lượng bền vững, giúp khách hàng yên tâm sử dụng lâu dài.
- Thiết kế thông minh: Có hai kiểu dáng bồn ngang và bồn đứng, phù hợp với nhiều không gian lắp đặt, tiết kiệm diện tích và đảm bảo thẩm mỹ.
Bồn nhựa PLASMAN ĐẠI THÀNH Ứng dụng của bồn nhựa Plasman:
- Lưu trữ nước sạch cho sinh hoạt hàng ngày.
- Sử dụng trong các công trình xây dựng và sản xuất vừa và nhỏ.
- Chứa các dung dịch công nghiệp không gây phản ứng với nhựa HDPE.
Lựa chọn bồn nhựa Plasman Tân Á Đại Thành không chỉ là đầu tư cho chất lượng cuộc sống mà còn là giải pháp bền vững, tiết kiệm chi phí trong thời gian dài. Hãy để bồn nhựa Plasman đồng hành cùng gia đình bạn trong việc bảo vệ nguồn nước sạch!
Giới thiệu chung về sản phẩm bồn nước nhựa 1500L Plasman Đại Thành:
Bồn nước nhựa 1500L Plasman Đại Thành đứng gồm những thông tin cơ bản:
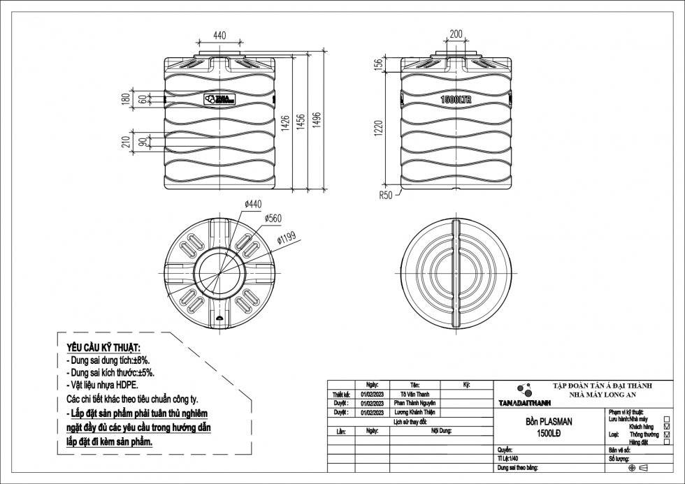
- Kích thước (cao x rộng): 1540 x 1190mm
- Màu sắc: Xanh
- Kết cấu nhựa dày 6 lớp
- Nguyên liệu: Nhựa HDPE dẻo dai và chống va đập tốt hơn
- Bền bỉ với thời gian
- Đảm bảo giữ nguyên chất lượng nguồn nước
- Bồn nhựa Đại Thành HDPE được sản xuất bằng công nghệ thổi khuôn (blow moulding) trên dây chuyền máy móc tiên tiến,
- Bề mặt sản phẩm có hoa văn nhám nên sản phẩm hoàn thiện đẹp mắt
- Bảo hành kỹ thuật lên đến 20 năm
Bồn nước nhựa 1500L Plasman đứng có những tính năng nổi bật:
- Bồn nước nhựa 1500L Plasman bền bỉ với thời gian: Vật liệu HDPE với đặc tính cực kì bền bỉ, chống lão hóa hoặc cũ đi theo thời gian, chịu được nhiệt, điện, chống ăn mòn rất cao.
- Cơ tính cao: Bồn nước nhựa 1500 lít Plasman dẻo dai, chống va đập tốt hơn bồn LLDPE (dòn và dễ vỡ).
- Mẫu sản phẩm đẹp mắt: Sản phẩm bồn nước nhựa 1500L được sản xuất bằng công nghệ thổi khuôn (blow moulding) trên dây chuyền máy móc tiên tiến, bề mặt sản phẩm có hoa văn nhám nên sản phẩm hoàn thiện đẹp mắt, cao cấp hơn dòng sản phẩm bồn nhựa bằng công nghệ roto moulding.
- Đảm bảo chất lượng nguồn nước: bồn nhựa 1500L HDPE cao cấp được sử dụng để sản xuất bồn, đạt yêu cầu giữ nguyên chất lượng nước chứa.
NPP bồn nước chính hãng, giá rẻ
Cấu tạo bồn nước nhựa 1500L Plasman đứng :
Bồn nước nhựa Đại Thành được cấu tạo bằng 6 lớp nhựa cao cấp:
- Lớp thẩm mỹ bên ngoài: bề mặt đẹp bóng, láng mịn, ít bám bụi bẩn, bền màu với những tác đồng tự nhiên
- Lớp hạn chế tia cực tím: Hạn chế tia cực tím ảnh hưởng đến nguồn nước tron bồn
- Lớp hạn chế tia cực tím kép: Hạn chế tối đa tia cực tím ảnh hưởng đến nguồn nước tron bồn
- Lớp hạn chế hấp thụ nhiệt: Hạn chế tối đa lượng nhiệt từ ánh sáng mặt trời. Giữ nước luôn ở nhiệt độ ổn định
- Lớp kháng khuẩn: Hạn chế tối đa vi khuẩn xâm nhập vào bồn
- Lớp tráng bạc: Được phủ 1 lóp ion bạc, khử trùng cà diệt khuẩn đến 99,99%

Cấu tạo của bồn nước nhựa Plasman
Lý do nên mua bồn nước nhựa 1500 lít Plasman Đại Thành tại TOANPHATGROUP.VN
- Cam kết 100% hàng chính hãng: TOANPHATGROUP.VN là nhà phân phối uy tín, được ủy quyền và cấp giấy chứng nhận bởi thương hiệu quốc gia Tập đoàn Tân Á Đại Thành
- Sản phẩm đa dạng: Mẫu mã, thiết kế liên tục cập nhật bồn nước công nghệ mới nhất tại showroom và website chính thức phục vụ khách hàng mua online.
- Nhanh chóng và chuyên nghiệp: Vận chuyển hoàn toàn miễn phí (chỉ một số tỉnh khó khăn trong vận chuyển có thể thu ít phí), giao hàng nhanh chóng chỉ trong vòng 24h - 48h tính từ lúc khách hàng chốt đơn hàng theo hotline chính thức 0903 737277
- An tâm, tin tưởng: Thanh toán tiện lợi tại nhà khi hoàn thiện hoặc quý khách có thể chuyển khoản, quẹt thẻ ATM
- Tư vấn tận tình dù khách hàng có thể không mua: Tôn chỉ nằm lòng bởi các tư vấn viên/ kỹ thuật viên với hơn 10 năm kinh nghiệm trong xử lý nguồn nước được chọn lọc. Mong muốn với mọi khách hàng đều sẽ có được sản phẩm tốt nhất, hài lòng nhất.
- Giá cả cạnh tranh: Để bảo vệ người tiêu dùng thông qua chính sách về giá (Không ngại xa - Luôn chuẩn giá)
- Chăm sóc khách hàng: Định kỳ hàng tháng bởi những đội ngũ tư vấn của chúng tôi - Đảm bảo sản phẩm luôn vận hành tốt
- Hưởng ưu đãi hàng tháng: Duy nhất chỉ có tại TOANPHATGROUP.VN những chương trình tri ân khuyến mại đặc biệt.
Bồn nhựa PLASMAN Đại Thành là sản phẩm chất lượng cao, được thiết kế tối ưu để đáp ứng nhu cầu lưu trữ nước an toàn và bền bỉ. Với bản vẽ chi tiết, khách hàng có thể dễ dàng hình dung kích thước, cấu trúc và các thông số kỹ thuật của bồn, giúp thuận tiện trong quá trình lắp đặt và sử dụng.

Bản vẽ bồn nhựa PLASMAN Đại Thành 1500 lít đứng
- Chất liệu cao cấp: Bồn được làm từ nhựa HDPE nguyên sinh, đảm bảo độ bền vượt trội, chống ăn mòn, chịu được mọi điều kiện thời tiết.
- Dung tích đa dạng: Từ 500 lít đến 2000 lít, phù hợp cho nhiều quy mô sử dụng, từ hộ gia đình đến các công trình lớn.
- Kiểu dáng linh hoạt: Gồm bồn đứng và bồn ngang, tối ưu hóa không gian lắp đặt.
- Độ bền vượt trội: Bảo hành lên đến 40 năm, cam kết chất lượng và sự an tâm lâu dài cho khách hàng.
TOÀN PHÁT – CHUYÊN GIA LẮP ĐẶT BỒN NƯỚC CHUYÊN NGHIỆP
Toàn Phát tự hào là đơn vị chuyên lắp đặt bồn nước inox và bồn nước nhựa hàng đầu, đảm bảo uy tín và chất lượng. Chúng tôi mang đến giải pháp tối ưu cho mọi nhu cầu sử dụng nước sinh hoạt và công nghiệp.
Sản phẩm cung cấp:
- Bồn nước inox: Chất liệu SUS304 cao cấp, dung tích từ 300 lít đến 30.000 lít, bảo hành 12 năm.
- Bồn nước nhựa: Làm từ nhựa LLDPE an toàn, bền bỉ, dung tích từ 300 lít đến 10.000 lít, bảo hành 25 năm.

Toàn Phát nhận thi công lắp đặt bồn nước
Dịch vụ lắp đặt chuyên nghiệp:
- Đội ngũ kỹ thuật viên giàu kinh nghiệm.
- Quy trình lắp đặt nhanh chóng, an toàn, đảm bảo đúng kỹ thuật.
- Hỗ trợ vận chuyển miễn phí toàn quốc.
- Lắp đặt bồn nước - có tính phí
- Hãy để Toàn Phát đồng hành cùng bạn trong việc xây dựng một hệ thống cấp nước hiệu quả và bền vững!
Lưu ý khi sử dụng bồn nước nhựa 1500 lít Plasman Đại Thành đứng
Sản phẩm bồn nước nhựa 1500L khi lắp đặt phải được đặt trên một mặt phẳng cố định.
Hạn chế các tác động, va chạm cơ học trong quá trình lắp đặt, vận chuyển và sử dụng.

Bồn nước được lắp đặt trên mặt phẳng
Lưu ý khi sử dụng bồn nước nhựa 1500L Plasman đứng Đại Thành
- Sản phẩm đặc biệt phù hợp với những nơi có vùng nước bị nhiễm phèn, nhiễm mặn. Ứng dụng rộng rãi trong khu vực ven biển hoặc trên tàu thuyền.
- Chỉ dùng để chứa nước sạch sinh hoạt theo tiêu chuẩn của Bộ Y Tế.
- Không chứa hóa chất, các loại axit, các hóa chất chất vô cơ, hữu cơ khác, nước nhiễm mặn, nhiễm phèn chua.
- Tránh dùng các vật sắc, nhọn đâm vào bồn gây méo, bẹp hoặc thủng bồn.
- Bồn phải được đặt trên mặt phẳng, thoáng để dễ dàng cho việc bảo trì, tháo lắp sản phẩm.
- Video hướng dẫn lắp đặt bồn nước nhựa 1500L Plasman an toàn và hiệu quả
Hướng dẫn lắp đặt bồn nước nhựa 1500L
Giới thiệu chung về sản phẩm bồn nước nhựa 1500L Plasman Đại Thành
Hình ảnh thực tế bồn nước nhựa Tân Á Đại Thành - Công ty Toàn Phát giao hàng miễn phí toàn quốc
Bồn nước nhựa Tân Á Đại Thành là sự lựa chọn đáng tin cậy dành cho mọi gia đình và công trình. Được sản xuất từ chất liệu nhựa LLDPE cao cấp, bồn nước nhựa Tân Á Đại Thành mang đến những ưu điểm vượt trội: - Độ bền cao: Chịu va đập tốt, không bị ăn mòn bởi hóa chất hay tác động của môi trường.
- An toàn sức khỏe: Chất liệu đạt chuẩn an toàn thực phẩm, không gây ảnh hưởng đến chất lượng nguồn nước.
- Đa dạng dung tích: Từ 300 lít đến 10.000 lít, đáp ứng nhu cầu sử dụng nước của từng hộ gia đình hoặc các dự án lớn.
- Thiết kế thông minh: Bồn đứng tiết kiệm diện tích, bồn ngang ổn định, phù hợp với mọi không gian lắp đặt.
- Bảo hành lên đến 25 năm, khẳng định chất lượng và sự cam kết của thương hiệu hàng đầu.
Hãy để bồn nước nhựa Tân Á Đại Thành đồng hành cùng bạn trong việc bảo vệ nguồn nước sạch mỗi ngày. Để biết thêm thông tin và được tư vấn chi tiết, vui lòng liên hệ với Toàn Phát – nhà phân phối chính hãng sản phẩm Tân Á Đại Thành trên toàn quốc.

Toàn Phát tự hào là nhà phân phối các sản phẩm bồn nước nhựa chất lượng cao, được làm từ chất liệu LLDPE/HDPE an toàn, bền bỉ, và bảo hành lên đến 25 năm. Với thiết kế đa dạng gồm cả bồn đứng và bồn ngang, dung tích từ 300 lít đến 10.000 lít, sản phẩm của chúng tôi phù hợp với mọi nhu cầu sử dụng từ gia đình đến công trình lớn. Hãy liên hệ ngay với Toàn Phát để được tư vấn chi tiết về sản phẩm, chính sách giá cả và dịch vụ giao hàng miễn phí toàn quốc. Chúng tôi sẵn sàng hỗ trợ quý khách 24/7 để giúp bạn chọn được giải pháp lưu trữ nước hiệu quả và kinh tế nhất. Toàn Phát – Bạn đồng hành tin cậy cho nguồn nước sạch! CÔNG TY TNHH KINH DOANH TOÀN PHÁT
NPP TÂN Á ĐẠI THÀNH - SƠN HÀ - HWATA - TOÀN MỸ
Tư Vấn Bán Hàng: 028.3710 9655 - 028.3710 9656 - 0903. 737277
Tổng kho TPHCM: 639 Nguyễn Thị Thử, Hóc Môn, TPHCM
Email: kdtoanphat@gmail.com . Website: bonnuoc.com
Hotline 24/7: 0909.913.212
Địa chỉ các chi nhánh:
- CN 1: 639 Nguyễn Thị Thử, Hóc Môn
- CN 2: Lý Thường Kiệt, Tân Bình
- CN 3: Hiệp Bình Chánh, Thủ Đức
- CN 4: Bình Hưng, Bình Chánh
- CN 5: Thủ Dầu Một, Bình Dương
- CN 6: Biên Hòa, Đồng Nai
- CN 7: Hòa Thành, Tây Ninh
- CN 8: Tân An, Long An
- CN 9: QL 60, Châu Thành, Bến Tre
- CN 10: QL 1A, Cai Lậy, Tiền Giang
- CN 11: Ba Láng, Cái Răng, Cần Thơ
- CN 12: Vành Đai 1, Cà Mau