Thông tin cơ bản bồn tự hoại 2000L Đại Thành
Toàn Phát- NPP bồn nước nhựa chính hãng, giá rẻ
Ưu điểm của bồn tự hoại 2000L Đại Thành
- Vận hành thủy lực 24/24
- Dễ dàng lắp đặt và bảo trì
- Chịu được áp lực cao trong mọi điều kiện
- Nước thải đạt chuẩn B - QCVN 14:2008/BTNMT
- Đảm bảo vệ sinh môi trường - QCVN 01:2011/BYT
- Cải thiện và đẩy lùi tình trạng ô nhiểm nguồn nước
- Đảm bảo vệ sinh môi trường xung quanh, góp phần nâng cao chất lượng cuộc sống.

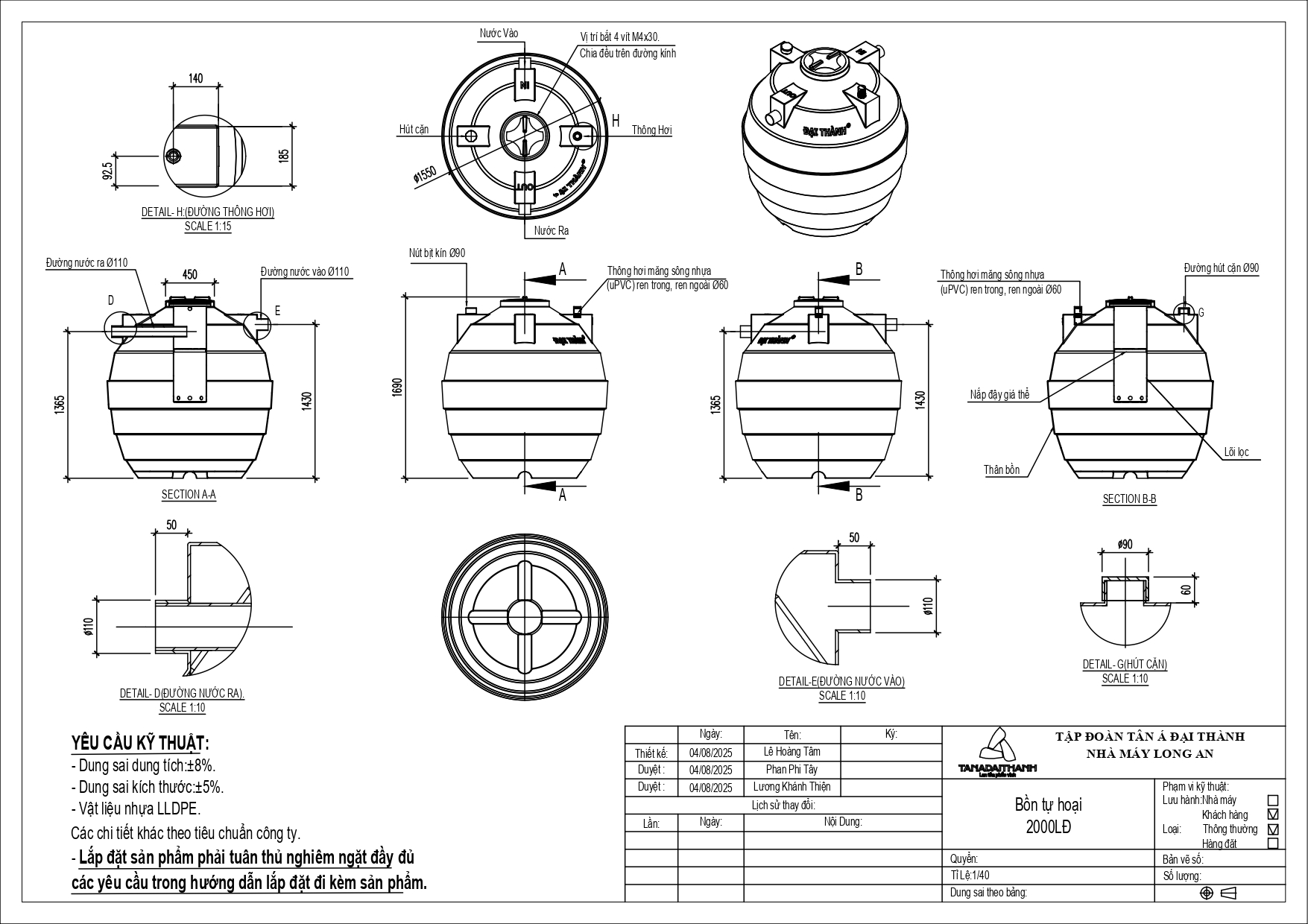
Bản vẽ bồn tự hoại Đại Thành 2000 lít
Kích thước bồn tự hoại 2000L Đại Thành
Nước đầu ra qua hệ thống xử lý của bồn hoàn toàn là nước không còn chất hữu cơ. Bởi nhờ sự can thiệp của quả cầu, được xem là ngôi nhà của vi sinh vật, tại đây, các vi sinh vật sống và phân hủy chất hữu cơ, ngăn không cho nước còn chất hữu cơ ra ngoài.
- Điểm ưu việt trong thiết kế tính năng chỉ có tại bồn tự hoại Đại Thành
- Bể tự hoại 2000L sở hữu nhiều ưu điểm trong thiết kế tính năng, là sản phẩm chất lượng mang tới sự an tâm toàn diện cho người dùng
- Kiểu dáng hình cầu chắc chắn vững chãi
- Bể phốt thông minh Đại Thành có kiểu dáng hình cầu chắc chắn, thành bồn dày 8-10cm chịu lực tốt, tuổi thọ cực cao, hạn chế tối đa nguy cơ rò rỉ.
- Ngoài ra, bồn tự hoại 2000L còn được trang bị các lốc gân tăng cứng được phân bố đều quanh thân bồn cũng giúp bồn có thể đứng vững dưới mọi tác động vật lý từ môi trường.
.jpg)
Cấu tạo đường cấp vào, ra bồn tự hoại
| DUNG TÍCH SẢN PHẨM (Lít) | 500L | 1000L | 1500L | 2000L |
| Số lượng người sử dụng (hộ gia đình) | 2 | 4 | 6 | 8 |
| Thời gian lưu trữ (giờ) | >24 | >24 | >24 | >24 |
| Chiều cao bồn (mm) | 1170 | 1260 | 1530 | 1650 |
| Đường kính bồn (mm) | 1000 | 1200 | 1300 | 1550 |
| Đường kính đầu vào / ra (mm) | 90 / 90 | 90 / 90 | 114 / 114 | 114 / 114 |
| Đường ống hút chất thải (mm) | 90 | 90 | 90 | 90 |
• Nhà sản xuất có thể thay đổi chi tiết kỹ thuật sản phẩm trên thực tế do tốc độ cải tiến
Nguyên lý hoạt động của bồn tự hoại 2000L Đại Thành
Men Vi Sinh là tập hợp nhiều vi sinh vật hữu hiệu, có hoạt lực cao, phân giải nhanh các chất cơ thải hữu cơ có trong nước thải như: Xenluloz, tinh bột, kitin, pectin, protein, lipit... Giúp phân hủy nhanh trong bể kị khí, ức chế vi khuẩn gây mùi hôi, giúp tăng sự tạo bông và kết lắng của bùn hoạt tính, giảm chỉ tiêu: COD, BOD, TSS, N, P, ... hoạt tính ổn định phát triển lâu dài.
• Giảm mùi trong hệ thống • Giảm chỉ tiêu: COD, BOD, TSS, NH4, NH3, NO2
• Rút ngắn thời gian làm sạch nước thải • Chuyển hóa chất hữu cơ thành CO2 và H2O
• Giảm mùi trong hệ thống • Tăng mật độ vi sinh hữu ích trong hệ thống
• Rút ngắn thời gian làm sạch nước thải • Xử lý giảm nhanh chất thải hữu cơ trong bể khí
Lý do chọn mua bồn tự hoại 2000L Đại Thành
- Bồn tự hoại 2000L (Hay còn gọi là bể tự hoại bằng nhựa) là một sản phẩm hoàn toàn mới trên thị trường Việt Nam.
- Bồn tự hoại 2000L bằng nhựa của Đại Thành dùng để chứa chất thải và nước sử dụng vệ sinh hằng ngày. nhỏ gọn, dung tích đa dạng, có khả năng chứa toàn bộ chất thải từ nhà vệ sinh, bồn rửa, máy giặt, bồn cầu ... là lựa chọn tốt nhất cho các gia đình ở thành phố.
- Bể tự hoại 2000L chứa một số khối lượng nước thải lớn của gia đình bằng cách chặn các chất rắn và các chất hữu cơ trước khi thải ra môi trường.
- Cách này không chỉ giúp cho việc chứa chất thải an toàn, hạn chế tối đa tính trạng tắc nghẽn bể phốt cho gia đình mà còn góp phần bảo vệ môi trường.

Bồn nước tự hoại Tân Á Đại Thành
Quy trình lắp đặt bồn tự hoại 2000L an toàn và hiệu quả
Bước 1: Đào hố chôn bồn
- Đối với hố ngoài vườn: Đào đất sao cho khoảng không gian vừa cỡ bồn và xử lý nền để chắc chắn rằng không xảy ra sụt lún
- Đối với hố trong nhà: Hố cần được xây gạch xi măng cát vàng, nên xây loại tường 10cm
Bước 2: Cố định vị trí đặt bồn
- Đối với trong nhà: Đặt bồn vào đúng vị trí, đổ nước vào bồn cho đầy đến mức ống nước ra để đảm bảo bồn không nổi lên hoặc bị bóp méo do áp lực của đất hoặc nước từ bên ngoài.
- Đối với ngoài vườn: Làm tương tự trong nhà và nối ống mềm (ống Flex) vào đầu vào, ra của bồn và gắn chặt bằng vòng đai.
Bước 3: Lấp kín xung quanh bồn
- Đối với trong nhà: Đổ xi măng cát khô xung quanh thành bồn
- Đối với ngoài vườn: Đổ đầy xung quanh bằng đất mịn hoặc cát.
Bước 4: Lắp ráp nắp đậy
- Đối với trong nhà: Đổ tấm đan bằng bê tông (khoét lỗ lớn hơn đường kính nắp bồn và lỗ thoát khí) đặt lên bể tránh lực tác động trực tiếp lên bồn nhựa.
- Đối với ngoài vườn: Lắp đặt bồn đặt cao hơn mặt đất
Lắp bồn tự hoại Đại Thành Một số chú ý khi lắp đặt, bảo dưỡng bồn tự hoại 2000L Septic
Trong quá trình sử dụng bồn tự hoại 2000L chắc chắn sẽ có xảy ra sự cố khác nhau như rò rỉ nước, bồn bị thủng, hay bị tắc nghẽn do cặn bẩn tích tụ trong đường ống nước. Để hạn chế những sự cố này xảy ra, người dùng cần thường xuyên kiểm tra, bảo trì, bảo dưỡng theo quy định của nhà sản xuất đảm bảo bồn nước vận hành tốt, tiết kiệm chi phí sửa chữa hay thay thế khi xảy ra sự cố.
- Xử lý đáy hố tốt để tránh bị lún khi bồn đi vào sử dụng
- Không lắp đặt bồn ở dưới khu vực đi lại của xe tải hoặc phía dưới của thiết bị nặng, tránh khu vực có rễ cây to và đá
- Tránh lắp đặt bồn ở khu vực nước trũng
- Gia cố chống lún (như ép cọc) khi lắp đặt ở vùng nước trũng
- Tránh lắp đặt bồn ở khu vực đất sét ẩm
- Khi lắp đặt bồn, sau khi đặt đúng vị trí cần bơm đầy nước vào bồn để tránh bồn bị nổi, móp méo
- Không chèn đá, sỏi, vật liệu cứng xung quanh phần trống của bồn và hố.
Hình ảnh thực tế bồn tự hoại Tân Á Đại Thành

Lý do nên mua bồn tự hoại 2000L Đại Thành tại Toanphatgroup.vn
- Cam kết 100% hàng chính hãng: toanphatgroup.vn là hệ thống phân phối uy tín, được ủy quyền và cấp giấy chứng nhận bởi Tập Đoàn Tân Á Đại Thành
- Sản phẩm đa dạng: mẫu mã, thiết kế liên tục cập nhật bồn nước công nghệ mới nhất tại showroom và website chính thức phục vụ khách hàng mua online.
- Nhanh chóng và chuyên nghiệp: Vận chuyển hoàn toàn miễn phí (chỉ một số tỉnh khó khăn trong vận chuyển có thể thu ít phí), giao hàng nhanh chóng chỉ trong vòng 24h - 48h tính từ lúc khách hàng chốt đơn hàng, đặt hàng theo hotline 3 miền: 0903 737277
- An tâm, tin tưởng: Thanh toán tiện lợi tại nhà khi hoàn thiện hoặc quý khách có thể chuyển khoản, quẹt thẻ ATM
- Tư vấn tận tình dù khách hàng có thể không mua: Tôn chỉ nằm lòng bởi các tư vấn viên/ kỹ thuật viên với hơn 10 năm kinh nghiệm trong xử lý nguồn nước được chọn lọc. Mong muốn với mọi khách hàng đều sẽ có được sản phẩm tốt nhất, hài lòng nhất.
- Giá cả cạnh tranh: Để bảo vệ người tiêu dùng thông qua chính sách về giá (Không ngại xa - Luôn chuẩn giá)
- Chăm sóc khách hàng: Định kỳ hàng tháng bởi những đội ngũ tư vấn của chúng tôi - Đảm bảo sản phẩm luôn vận hành tốt
- Hưởng ưu đãi hàng tháng: Duy nhất chỉ có tại TOANPHATGROUP.VN với những chương trình tri ân khuyến mại đặc biệt.
Toàn Phát tự hào là nhà phân phối bồn tự hoại Septic chính hãng của các thương hiệu uy tín như Tân Á Đại Thành, Sơn Hà, Toàn Mỹ. Chúng tôi cam kết:
- Chất lượng vượt trội: Sản phẩm chính hãng, được sản xuất theo tiêu chuẩn hiện đại, đảm bảo độ bền, khả năng chịu lực và chống thấm tuyệt đối.
- Mức giá cạnh tranh: Giá rẻ, hợp lý với nhiều ưu đãi hấp dẫn.
- Giao hàng miễn phí toàn quốc: Đảm bảo giao hàng nhanh chóng, tận nơi.
- Đa dạng dung tích: Phù hợp với mọi nhu cầu sử dụng từ gia đình đến công trình lớn.
Đến với Toàn Phát, bạn không chỉ nhận được sản phẩm chất lượng mà còn được phục vụ tận tình, chuyên nghiệp. Liên hệ ngay 0903 737277 để nhận tư vấn chi tiết và báo giá tốt nhất! ????
CÔNG TY TNHH KINH DOANH TOÀN PHÁT
NPP TÂN Á ĐẠI THÀNH - SƠN HÀ - HWATA - TOÀN MỸ
Tư Vấn Bán Hàng: 028.3710 9655 - 028.3710 9656 - 0903. 737277
Tổng kho TPHCM: 639 Nguyễn Thị Thử, Hóc Môn, TPHCM
Email: kdtoanphat@gmail.com . Website: bonnuoc.com
Hotline 24/7: 0909.913.212 Địa chỉ các chi nhánh:
???? Gọi ngay Hotline: 0903 737 277 để được hỗ trợ nhanh chóng!
- CN 1: 639 Nguyễn Thị Thử, Hóc Môn, TPHCM
- CN 2: Lý Thường Kiệt, Tân Bình, TPHCM
- CN 3: Hiệp Bình Chánh, Thủ Đức, TPHCM
- CN 4: Bình Hưng, Bình Chánh, TPHCM
- CN 5: Phường Nghĩa Đô , Quận Cầu Giấy, Hà Nội
- CN 6: Thị Xã Phong Điền, Thành phố Huế.
- CN 7: Tân Phong, TP Lai Châu, Tỉnh Lai Châu.
- CN 8: Thành phố Điện Biên Phủ, Tỉnh Điện Biên.
- CN 9: Thành phố Sơn La,Tỉnh Sơn La
- CN 10: Thành phố Lạng Sơn, Tỉnh Lạng Sơn.
- CN 11: Thành phố Hạ Long, Tỉnh Quảng Ninh.
- CN 12: Thành phố Thanh Hóa, Tỉnh Thanh Hoá.
- CN 13: Phường Hòa Hiếu- TX Thái Hòa - tỉnh Nghệ An
- CN 14: Trần Phú, Tp Hà Tĩnh, Hà Tĩnh
- CN 15: Thành phố Cao Bằng, Tỉnh Cao Bằng.
- CN 16: Thành phố Tuyên Quang, tỉnh Tuyên Quang
- CN 17: Thành phố Lào Cai, Lào Cai
- CN 18: Thành phố Thái Nguyên, Thái Nguyên
- CN 19: Thành phố Việt Trì, tỉnh Phú Thọ
- CN 20: Thành phố Bắc Ninh, Bắc Ninh
- CN 21: Thành phố Hưng Yên, tỉnh Hưng Yên
- CN 22: Thành phố Thủy Nguyên, Hải Phòng
- CN 23: Thành phố Hoa Lư, Ninh Bình
- CN 24: Thành phố Đông Hòa, Quảng Trị
- CN 25: Mỹ Khuê, Q.Ngũ Hành Sơn, TP.Đà Nẵng
- CN 26: Thành phố Quảng Ngãi,tỉnh Quảng Ngãi
- CN 27: Thành phố Pleiku, Gia Lai
- CN 28: Thành phố Nha Trang, Khánh Hoà
- CN 29: Huyện Đức Trọng, tỉnh Lâm Đồng
- CN 30: Thành phố Buôn Ma Thuột, Đắk Lắk
- CN 31: TP. Biên Hòa, T.Đồng Nai
- CN 32: H.Tân Biên, T.Tây Ninh
- CN 33: TP.Vị Thanh, T.Hậu Giang
- CN 34: TP Vĩnh Long, Tỉnh Vĩnh Long
- CN 35: Huyện Cao Lãnh, Tỉnh Đồng Tháp
- CN 36: Vành Đai 1, P.9, TP.Cà Mau
- CN 37: TP.Long Xuyên, T.An Giang